WS系列蝸桿減速機
作者:德州銘威機械設備有限公司
來源:http://m.bizhui.cn
時間:2021-08-07
WS型圓柱蝸桿減速機適用范圍
適用范圍
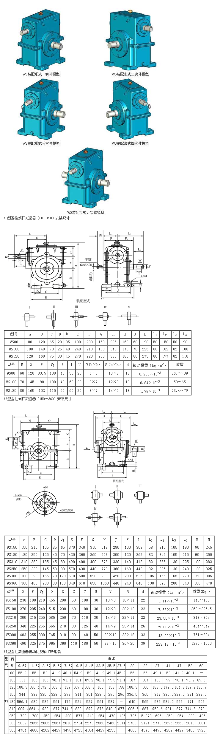
WS型圓柱蝸桿減速器適用范圍該標準為一級傳動的阿基米德圓柱蝸桿減速器;WS(蝸桿上置)WD(蝸桿下置)。(蝸阿基米德圓柱蝸桿減速器適用于蝸桿嚙合處滑動速度不大于7.5m/s;蝸桿速度不超過1500r/min;工作環境溫度為-40~+40℃;并可正、反方向運轉的場合。
WS型圓柱蝸桿減速器為一級傳動的圓柱蝸桿減速器。其特點是傳動比大、結構緊湊、體積小、噪音低、運行穩定并具有良好的自鎖性。
本蝸桿減速器的蝸桿采用45碳素鋼,并經調質處理。蝸輪用ZQAL9-4鋁青銅鑄造,對于輸入的軸間支承采用圓錐滾子軸承,出軸端裝有骨架油封,防止漏油,延長使用壽命。
本蝸桿減速器主要適用于冶金、礦山、起重、運輸、化工、建筑、紡織、輕工等各機械設備的減速傳動,尤其對車站碼頭、倉庫等移動式起重設備,卷揚提升 為適宜。適用于蝸桿嚙合處滑動速度不大于7.5m/s
WS型圓柱蝸桿減速器實體模型
